SILVER AUTOMATION INSTRUMENTS LTD.
Danh Mục Sản Phẩm

Máy ghi âm không giấy 48 kênh

Máy ghi âm không giấy 48 kênh

Max 48 channels universal inputs
10.4 inch TFT color LCD display
In stock fast delivery
E-thernet or SD card options
Not find what you need or not sure what you choose?
Email us: sales@silverinstruments.com
Whatsapp: +86 18936759191

Bài viết này giới thiệu các nguyên lý cơ bản, kiến trúc phần mềm và phần cứng của máy ghi âm không giấy 48 kênh, cũng như các khái niệm và phương pháp thiết kế cho một số quy trình kỹ thuật chính của máy ghi âm không giấy màu. Cuối cùng, các chỉ số hiệu suất chính của máy ghi âm kỹ thuật số 48 kênh được trình bày.

Máy ghi âm không giấy màu 48 kênh là thiết bị ghi âm thế hệ mới được cấu thành từ mạng lưới đa vi xử lý, mang lại chức năng mạnh mẽ và hiệu suất thời gian thực tuyệt vời.

Các tính năng chính của máy ghi âm không cần giấy 48 kênh:

  • Tối đa 48 kênh đầu vào phổ biến cho tín hiệu điện áp, dòng điện, cặp nhiệt điện và RTD tiêu chuẩn, giúp đơn giản hóa việc lắp đặt và hiệu chuẩn.
48 channels chartless recorder accept signal types
Máy ghi âm không biểu đồ 48 kênh chấp nhận các loại tín hiệu
  • Công nghệ chuyển đổi A/D tiên tiến và công nghệ tự hiệu chuẩn, tăng cường khả năng chống trôi nhiệt độ và trôi thời gian, đồng thời lọc nhiễu hiệu quả trong môi trường khắc nghiệt.
  • Sự kết hợp giữa RAM dung lượng lớn (1MB) với tính năng bảo vệ khi tắt nguồn và thẻ nhớ SD (128MB–1GB) để cân bằng giữa việc truy cập dữ liệu ngắn hạn và lưu trữ dữ liệu dài hạn.
  • Màn hình LCD TFT màu 10,4 inch, mở rộng đáng kể khả năng hiển thị.
  • Giao diện thân thiện với người dùng với nhiều chế độ hiển thị, bao gồm các đơn vị kỹ thuật, biểu đồ thanh và đường cong xu hướng để dễ dàng theo dõi.
  • Menu tiếng Anh 5 cấp độ linh hoạt để cấu hình hệ thống, có mật khẩu bảo vệ cho các cài đặt thông số.
  • Giao diện truyền thông RS-232/RS-485, cho phép trao đổi dữ liệu PC, cấu hình máy chủ và kết nối với máy in nối tiếp mini để in dữ liệu thời gian thực và trạng thái cảnh báo.
  • Vỏ hợp kim nhôm chuyên dụng giúp tăng cường khả năng chống nhiễu điện từ, dễ lắp đặt và có thiết kế thẩm mỹ, thiết thực.
Widely applications of color paperless recorders
Ứng dụng rộng rãi của máy ghi âm không giấy màu

Máy ghi dữ liệu bảng điều khiển 48 kênh được ứng dụng rộng rãi trong các ngành công nghiệp hóa chất, luyện kim, dầu khí và các ngành công nghiệp khác, cho phép lấy mẫu, giám sát, phân tích và lưu trữ các thông số quy trình công nghiệp. So với các máy ghi biểu đồ cơ học truyền thống, máy ghi đồ họa loại bỏ các vấn đề như kẹt giấy, rò rỉ mực, cấu trúc cơ khí phức tạp, chi phí bảo trì cao và chức năng hạn chế, khiến máy ghi phổ thông 48 kênh trở thành thiết bị thế hệ tiếp theo lý tưởng cho tự động hóa công nghiệp.

Paper Recorder
Máy ghi giấy

Nguyên lý hoạt động của máy ghi dữ liệu 48 kênh

Bảng kênh thực hiện lấy mẫu và khuếch đại trên mỗi tín hiệu đầu vào tương tự, sau đó truyền đến mô-đun chuyển đổi A/D. Tín hiệu được chuyển đổi thành giá trị số bởi bộ chuyển đổi A/D, được xử lý thông qua bộ lọc kỹ thuật số và được lưu trữ trong vùng lưu trữ dữ liệu. CPU của bảng kênh giao tiếp với CPU của bảng chính sau mỗi 0,2 giây để truyền dữ liệu đo lường. Bảng chính xử lý dữ liệu bằng cách chuyển đổi thành giá trị kỹ thuật hoặc đường cong phù hợp (tương ứng với tọa độ hiển thị) và hiển thị thông tin trên các màn hình khác nhau. CPU lưu trữ các giá trị đo lường trong cả: RAM (lưu trữ thời gian thực tạm thời) và thẻ nhớ Flash (lưu trữ dữ liệu dài hạn). Hệ thống thực hiện kiểm tra cảnh báo giới hạn cao/thấp và đưa ra trạng thái cảnh báo thông qua các tiếp điểm rơle dựa trên cài đặt cấu hình cảnh báo.

CPU nhận lệnh thao tác bàn phím qua bus dữ liệu và thực hiện xử lý và hiển thị tương ứng dựa trên các lệnh này. Tất cả các thông số cấu hình được lưu trữ trong EEPROM. Theo cài đặt in, CPU truyền dữ liệu liên quan đến máy in thông qua giao diện truyền thông RS-232 để in.

Cấu trúc phần cứng của máy ghi dữ liệu 48 kênh

Máy ghi đồ họa 48 kênh bao gồm sáu thành phần chính: bo mạch chủ, bo mạch kênh, màn hình hiển thị, bàn phím, thẻ nhớ, bo mạch ngõ ra rơle, bo mạch giao tiếp và nguồn điện. Các thành phần này được kết nối với nhau thông qua cáp ruy-băng và khe cắm bus. Như hình 1 minh họa.

1. Màn hình hiển thị

Máy ghi biểu đồ kỹ thuật số với 48 kênh đầu vào được trang bị màn hình LCD màu ma trận điểm với độ phân giải 800×600 pixel, có khả năng hiển thị 128 màu. Điều này cho phép hiển thị các ký tự tiếng Anh, đồ họa và bảng biểu.

48 channels Paperless recorder has multiple display modes
Đầu ghi hình không giấy 48 kênh có nhiều chế độ hiển thị

2. Bo mạch chính

Main board of 48 channels electronic recorders
Bo mạch chính của đầu ghi điện tử 48 kênh

Bo mạch chủ chủ yếu bao gồm một hệ thống vi điều khiển và một bộ chuyển mạch tín hiệu.

main board structure
Hình 1: Cấu trúc phần cứng

2.1 Hệ thống vi điều khiển

Hệ thống sử dụng vi điều khiển 8 bit (80C32 và 80C31) để thực hiện đo lường tín hiệu, tính toán, hiển thị màn hình, xuất cảnh báo và các chức năng giao tiếp. Các thành phần quan trọng bao gồm: CPU, EPROM, RAM. WDT (Bộ định thời giám sát): Đồng hồ thời gian thực (RTC).

Trong trường hợp mất điện hoặc tắt máy đột xuất, RAM với chức năng bảo vệ khi mất điện sẽ bảo vệ các thiết lập bên trong và dữ liệu đã ghi khỏi bị mất. Để đầu ghi kỹ thuật số hoạt động bình thường, dữ liệu quan trọng và các thông số truyền thông phải được bảo vệ.

WDT giúp tránh sự cố hệ thống do nhiễu từ bên ngoài. WDT đảm bảo hoạt động không bị gián đoạn bằng cách đặt lại CPU trong một khoảng thời gian định trước trong trường hợp nhiễu khiến CPU hoặc EPROM bị trục trặc.

Thời gian thực của máy ghi 48 kênh không biểu đồ được cung cấp bởi RTC. Bộ định thời nội bộ không còn cần thiết nữa, và mức tiêu thụ tài nguyên của CPU được giảm đáng kể, vì nó chỉ cần đọc dữ liệu xung nhịp định kỳ để hiển thị. Để duy trì chức năng xung nhịp thời gian thực và bảo vệ dữ liệu RAM trong trường hợp mất điện hoặc tắt máy, chip RTC được tích hợp pin lithium.

Các thông số này bao gồm dữ liệu hiệu chuẩn, loại tín hiệu, phạm vi đo (giới hạn trên/dưới), đơn vị kỹ thuật, khoảng thời gian ghi dữ liệu và ngưỡng cảnh báo. Giao diện hai dây (I²C) của chip giúp giảm thiểu mức tiêu thụ tài nguyên hệ thống.

2.2 Bộ điều khiển Rơle

Bộ điều khiển rơle tạo ra tín hiệu chuyển mạch cho rơle dựa trên trạng thái đầu ra cảnh báo.

3. Bảng kênh

Vì bộ ghi dữ liệu 48 kênh chấp nhận tín hiệu tương tự tiêu chuẩn cũng như tín hiệu nhiệt điện trở và tín hiệu RTD, nên thiết bị chính phải thực hiện một loạt các chức năng xử lý tín hiệu: Chuyển mạch ghép kênh điều khiển bằng vi điều khiển, khuếch đại tín hiệu Millivolt, chuyển đổi A/D, lưu trữ dữ liệu đã chuyển đổi (trung bình cộng) trong bộ nhớ vi điều khiển được chỉ định.

Hệ thống vi điều khiển giao tiếp định kỳ với bảng kênh, gửi lệnh và nhận dữ liệu lấy mẫu trong khi vẫn duy trì tính cô lập giữa các kênh.

4. Mạch cấp nguồn

Máy ghi 48 kênh không cần biểu đồ sử dụng nguồn điện chuyển mạch điện áp thấp để cải thiện hiệu suất chuyển đổi và giảm mức tiêu thụ điện năng. Mạch chấp nhận cả hai nguồn điện: 220V AC, 50Hz; 24V DC, để phù hợp với các môi trường công nghiệp khác nhau. Vui lòng ghi rõ nhu cầu nguồn điện chính khi đặt hàng máy ghi 48 kênh từ silverinstruments.com.

5. Vỏ bọc

Được chế tạo bằng các thanh hợp kim nhôm chuyên dụng, có kích thước cắt tấm là 280 mm × 280mm.

48 channels digital recorder dimensions


Kích thước đầu ghi kỹ thuật số 48 kênh

Công nghệ chính của đầu ghi hình đa năng 48 kênh

1. Đầu vào tín hiệu phổ thông:

Máy ghi âm thực hiện đầu vào tín hiệu phổ thông thông qua: Dây kết nối đầu cuối phía sau, cài đặt công tắc DIP, cấu hình menu hệ thống. Nguyên lý hoạt động (Xem Hình 2):
Principle of universal signal input
Hình 2: Nguyên lý đầu vào tín hiệu phổ quát

Cấu hình trạng thái chuyển mạch (S1/S2): Tín hiệu cặp nhiệt điện: S2 mở, S1 đóng; Tín hiệu chuẩn: S1 mở, S2 đóng; Tín hiệu RTD: Cả S1 và S2 đều mở.

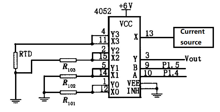
2. Lấy mẫu RTD

Thiết bị sử dụng các công tắc analog để chọn kênh trong quá trình lấy mẫu RTD. Để bù cho các điện trở bật không xác định và biến thiên trong các công tắc analog: Giải pháp thiết kế mạch (Xem Hình 3):

Thermistor sampling circuit
Hình 3: Mạch lấy mẫu nhiệt điện trở

  • R101/R102 biểu thị giới hạn điện trở trên/dưới của RTD
  • Nguồn điện tạo ra điện áp trên RTD/điện trở tham chiếu
  • Đo điện áp tại đầu Y loại bỏ hiệu ứng điện trở chuyển mạch
  • Độ chính xác được duy trì bằng cách đo điện áp trước khi chuyển mạch

Thông số kỹ thuật của đầu ghi hình không giấy 48 kênh

Sai số cơ bản: ±0,2%;
Lỗi phát lại lịch sử: ±0,1%;;
Lỗi báo động: ±0,1%;
Sai số lặp lại: 0,1%;
Lỗi lặp lại báo động: 0,1%;
Giao diện nối tiếp: RS-232;
Nguồn điện: AC 220V ±15% hoặc DC 24V.

Tóm lại

Máy ghi màu không giấy với 48 kênh đầu vào đa năng sở hữu những tính năng vượt trội bao gồm khả năng ứng dụng rộng rãi, màn hình hiển thị thân thiện với người dùng, độ chính xác cao và hoạt động đáng tin cậy, cùng chức năng mạnh mẽ - vượt xa các máy ghi giấy hoặc máy ghi mực truyền thống. Máy ghi điện tử này lý tưởng cho việc đo lường và ghi lại các thông số quy trình trong nhiều ngành công nghiệp khác nhau như dầu khí, hóa chất, chế biến thực phẩm, cấp thoát nước và xử lý nước thải. Với hiệu suất vượt trội và giá thành thấp từ silverinstruments.com, máy ghi bảng điều khiển tiên tiến này được dự đoán sẽ ngày càng trở nên quan trọng trong các quy trình sản xuất tự động.

Chào mừng bạn đến với silverinstruments.com để mua máy ghi âm không cần giấy 48 kênh với giá xuất xưởng.

Để lại tin nhắn Gửi email cho chúng tôi

chúng tôi sẽ liên lạc với bạn trong vòng 24 giờ.

Send us an email Email whatsapp WA
Inquiry Inquiry
Let's chat on WhatsApp ×
Hello, welcome to silverinstruments.com, can I help you ?