Cảm biến áp suất vi sai điện dung là thiết bị thiết yếu trong các thiết bị đo lường công nghiệp và tự động hóa quy trình hiện đại. Chúng sử dụng công nghệ cảm biến điện dung tiên tiến để đo áp suất vi sai, áp suất đo và áp suất tuyệt đối với độ chính xác cao và độ ổn định lâu dài. Không giống như các cảm biến áp suất cơ học truyền thống, các cảm biến này không có cơ cấu truyền động cơ học chuyển động , giúp chúng nhỏ gọn, bền bỉ và chống rung hiệu quả. Khả năng điều chỉnh điểm không và khoảng đo độc lập đảm bảo độ chính xác mà không gây nhiễu lẫn nhau, góp phần vào việc ứng dụng rộng rãi trong nhiều ngành công nghiệp.

Tại Trung Quốc, nhiều thành phố đã đưa vào sử dụng dây chuyền sản xuất từ công ty Rosemount của Mỹ, sản xuất nhiều mẫu thiết bị đo chênh áp , đo áp suất kế và đo áp suất tuyệt đối . Một số thiết bị còn tích hợp chức năng trích căn bậc hai để đo lưu lượng , cùng với các phiên bản được thiết kế cho các ứng dụng áp suất tĩnh cao và chênh áp vi mô .
Bộ truyền áp suất vi sai điện dung thường bao gồm hai bộ phận chính: bộ phận đo lường và bộ phận chuyển đổi/khuếch đại , như thể hiện trong Hình 1 .

Hình 1: Sơ đồ mạch máy phát áp suất chênh lệch điện dung
1—Bộ dao động 2—Cảm biến điện dung 3—Bộ giải điều chế 4—Điều chỉnh phạm vi 5—Bộ giới hạn dòng điện
6—Bộ khuếch đại công suất 7—Bộ khuếch đại hoạt động 8—Điều chỉnh về 0 và di chuyển về 0
9—Bộ khuếch đại điều khiển dao động 10—Nguồn điện áp tham chiếu 11—Bộ điều chỉnh điện áp 12—Bảo vệ đảo cực
Cảm biến điện dung chuyển đổi chênh lệch áp suất đo được (ΔP) thành sự thay đổi điện dung. Các tụ điện chênh lệch cao và thấp, C H và C L , được kích thích bởi một bộ dao động tần số cao . Các biến thiên dòng điện thu được được giải điều chế để tạo ra tín hiệu chênh lệch ( i L − i H ) và tín hiệu chế độ chung ( i L + i H ).
Tín hiệu vi sai được so sánh với tín hiệu phản hồi ( If ), sau đó được khuếch đại và chuyển đổi thành đầu ra DC 4-20mA . Dòng điện đầu ra này chạy qua mạng lưới điện trở tải và phản hồi, duy trì mối quan hệ tuyến tính giữa tín hiệu vi sai và dòng điện đầu ra.
Cảm biến điện dung bao gồm một tấm điện cực cố định và một màng đo di động, tạo thành hai tụ điện ( C H và C L ) được kết nối với buồng áp suất cao và áp suất thấp. Khi áp suất chênh lệch được áp dụng, màng đo sẽ lệch, làm thay đổi điện dung. Bộ dao động tần số cao (thường là 32 kHz) chuyển đổi những thay đổi điện dung này thành các biến thiên dòng điện, được khuếch đại và chỉnh lưu để tạo ra tín hiệu DC 4-20 mA tỷ lệ thuận với áp suất chênh lệch ΔP được áp dụng.
Khi sử dụng bộ truyền để đo lưu lượng — chẳng hạn như với các tấm lỗ, ống Venturi hoặc vòi phun — tín hiệu được truyền qua bộ trích căn bậc hai để thu được mối quan hệ tuyến tính với lưu lượng. Thiết bị hoạt động trên hệ thống hai dây 24 V DC , hỗ trợ điện áp nguồn từ 12–45 V DC và điện trở tải lên đến 600 Ω .
Cảm biến chênh lệch áp suất điện dung hai buồng được thể hiện ở Hình 2 .

Hình 2: Cấu trúc hai buồng của cảm biến áp suất chênh lệch điện dung
1, 4—Màng chắn cách ly dạng sóng; 2, 3—Đế thép không gỉ; 5—Lớp kính; 6—Màng kim loại; 7—Màng chắn đo
Trong cấu trúc này, các màng kim loại (6) hoạt động như các điện cực cố định, trong khi màng đo (7) hoạt động như điện cực động. Cả hai mặt của màng tạo thành hai khoang riêng biệt chứa đầy dầu silicon . Chất lỏng không nén được truyền áp suất chênh lệch Δp = p_H − p_L đến các bề mặt màng.
Khi Δp = 0, điện dung ở cả hai phía ( C H và C L ) bằng nhau. Khi Δp ≠ 0, màng ngăn lệch về phía áp suất thấp, khiến C L > C H.
Sử dụng điện dung vi sai làm giảm lỗi do sự thay đổi nhiệt độ trong hằng số điện môi, do đó cải thiện độ nhạy, độ chính xác và tính tuyến tính — những yếu tố quan trọng trong kiểm soát quy trình công nghiệp và đo áp suất .
Khi Δp ≠ 0, sự thay đổi điện dung được minh họa trong Hình 3 .

Hình 3: Sự thay đổi điện dung ở cả hai bên khi có chênh lệch áp suất
Các phương trình: 

Đối với màng ngăn có độ căng ban đầu, độ lệch tỷ lệ thuận với chênh lệch áp suất: 
Ở đây, K₁ là hằng số cấu trúc phụ thuộc vào độ cong của màng ngăn, khoảng cách giữa các điện cực và lực căng cơ học. Mối quan hệ này đảm bảo dòng điện đầu ra tỷ lệ thuận với chênh lệch áp suất được áp dụng, mang lại độ chính xác đo lường tuyệt vời.
Cảm biến áp suất điện dung chuyển đổi chênh lệch áp suất thành sự thay đổi điện dung tỷ lệ thuận. Việc đo điện dung này đòi hỏi phải kích thích AC tần số cao , thường khoảng 32 kHz .

Hình 4: Mạch dao động Hình 5: Nguồn điện dao động
Mạch dao động (Hình 4)
Mạch bao gồm các cuộn dây (đầu 6, 8 và 5, 7) và tụ điện C2 tạo thành một vòng cộng hưởng được kết nối với transistor VT1. Điện trở phân cực R2 xác định điểm hoạt động tĩnh. Tần số được xác định bởi độ tự cảm L và điện dung C.
Nguồn cung cấp dao động (Hình 5)
Vì phép đo điện dung dựa trên điện áp xoay chiều, điện áp dao động phải luôn ổn định . Vòng điều khiển phản hồi âm tự động ổn định điện áp đồng thời đảm bảo biên độ khởi động đủ lớn.

Như thể hiện trong Hình 6 , mạch tạo dòng điện dung và mạng tạo điện áp duy trì sự kích thích không đổi.

Hình 6: Mạch tạo dòng điện dung và mạch tạo điện áp U₂
Khi Δp ≠ 0, C_H giảm và C_L tăng, và tổng dòng điện chạy qua cả hai được biểu thị như sau:

Phản hồi tự động đảm bảo rằng I L + I H = K₂ (hằng số), duy trì sự ổn định điện áp và độ nhạy nhất quán.
Trong mạch tạo dòng điện dung: ![]()
![]()
![]()
Thay thế các mối quan hệ trước đó: 
Tổng dòng điện đầu ra: ![]()
Do đó, tín hiệu đầu ra 4-20 mA của bộ truyền áp suất vi sai điện dung tỷ lệ thuận với áp suất vi sai được áp dụng.
Thiết bị này cũng cung cấp chức năng điều chỉnh về 0 , hiệu chuẩn phạm vi và bảo vệ phân cực ngược , đảm bảo hoạt động ổn định và an toàn trong các hệ thống đo áp suất công nghiệp .
Bộ truyền áp suất dòng SH do silverinstruens.com sản xuất là bộ truyền áp suất hai dây 4-20 mA được sử dụng rộng rãi, được thiết kế cho môi trường an toàn và chống cháy nổ .
Thông số kỹ thuật chính

Hình 7: Mối quan hệ giữa điện áp nguồn và điện trở tải
Khi điện áp cung cấp dao động ±1 V, độ biến thiên dòng điện đầu ra vẫn dưới 0,005%, đảm bảo tính ổn định của tín hiệu và độ chính xác cao .
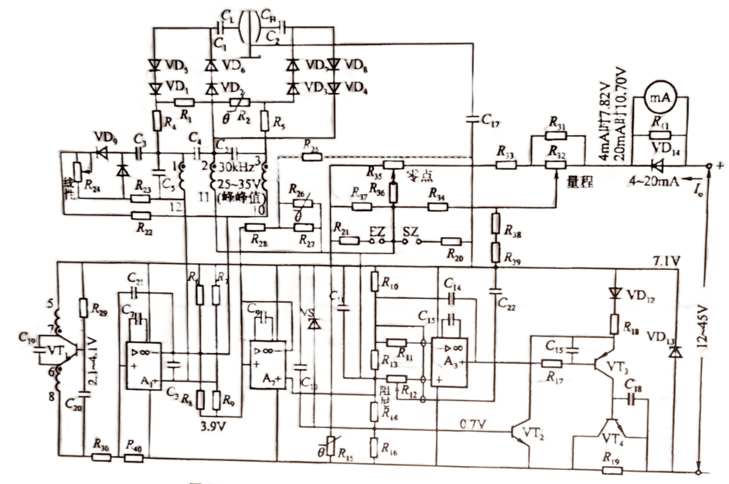
Mạch tổng thể của bộ truyền áp suất vi sai SHGP/SHDP được thể hiện trong Hình 8

Hình 8: Thiết kế mạch của máy phát áp suất điện dung model SH series/DP
Các thành phần và chức năng chính:
Các yếu tố này đảm bảo hiệu suất chính xác và ổn định trong nhiều điều kiện công nghiệp khác nhau, khiến Dòng SHGP/SHDP trở thành một trong những bộ truyền áp suất vi sai điện dung đáng tin cậy nhất cho điều khiển quy trình và đo lường trên toàn thế giới.
Máy phát áp suất thấp
2025/10/12
Máy phát áp suất thấp: 16-60 mbar. Độ chính xác cao: ±0.1~0.5% Giao thức Hart, đầu ra 4-20mA. Màn hình kỹ thuật số mbar, psi, pa.
VIEW
Cảm biến áp suất gốm
2025/10/12
Cảm biến áp suất điện dung gốm. Cảm biến chống mài mòn và chống nước. Đầu ra cảm biến áp suất 4-20mA. Dành cho ngành công nghiệp giấy và bột giấy.
VIEW
Cảm biến áp suất điện dung 3351
2025/10/12
Cảm biến áp suất điện dung hoặc cảm biến áp suất vi sai 3351; Độ chính xác: ± 0,1%; 0-40Mpa;
VIEW
Bộ truyền áp suất dòng SH 308
2025/10/12
Chi phí áp suất điện trở thấp; Bộ chuyển đổi áp suất cao tối đa 10000 PSI; ATEX đã được phê duyệt
VIEW
Bộ truyền áp suất với phớt màng ngăn từ xa
2025/10/12
Màng ngăn từ xa dành cho chất lỏng ăn mòn hoặc nhớt. Máy phát DP hoặc máy phát áp suất. 316L,HC, Tan, màng chắn Monel.
VIEW
Bộ truyền áp suất và DP với màng chắn bích
2025/10/12
Máy phát màng chắn mặt bích. Đối với áp suất, mức hoặc DP; Máy phát kỹ thuật số có màn hình LCD; HART, 4-20mA hoặc MOUBUS;
VIEW